Телекоммуникационная кабельная система Lanmaster для жилых помещений и малых коммерческих зданий.

Домашняя телеком-инфраструктура

В современных домах и квартирах появляется все большее количество электронных систем, аппаратуры и оборудования, требующих объединения в единую сеть, а также доступа в Интернет. Помимо привычных всем телефонной, телевизионной и компьютерной сетей, во многих домах используются системы видеонаблюдения, контроля доступа, пожарной сигнализации, домашней автоматизации и многое другое. Построение отдельной кабельной сети под каждую систему является слишком хлопотным и дорогостоящим мероприятием. Использование беспроводных систем не может являться полноценным решением в виду ограниченной области применения, низкой помехозащищенностью и сильной деградацией сигнала в железобетонных конструкциях.

Все это приводит к необходимости применения системного подхода при проектировании и монтаже слаботочных кабельных систем внутри помещений. Телекоммуникационная кабельная система становится также важна, как электрическая и водопроводная сеть, система кондиционирования и вентиляции, и подобно всем прочим инженерным системам должна строиться на основании единого стандарта.

Основные принципы и требования к построению телекоммуникационной кабельной системы жилого здания изложены в международном стандарте ANSI/TIA-570-C Residential Telecommunications Infrastructure Standard.

Стандарт

Основные положения ANSI/TIA-570-C

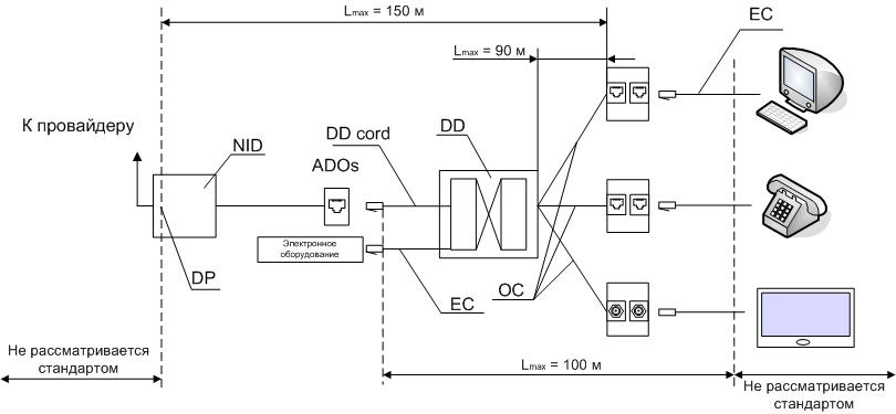
Международный стандарт ANSI/TIA-570-C описывает кабельную инфраструктуру для распределения телекоммуникационных сервисов в частных и многоквартирных домах. Кабельная система жилого здания ограничена с одной стороны интерфейсом оборудования провайдера, называемой демаркационной точкой и аппаратными шнурами подключаемого оборудования, с другой стороны.

ANSI/TIA-570-C
Топология

В соответствии со стандартом ANSI/TIA-570-C кабельная система жилого здания должна быть построена по топологии «звезда» с одним распределительным устройством в центре.

Каждая телекоммуникационная розетка должна подключаться отдельным кабельным сегментом, последовательное подключение розеток недопустимо. Максимальная длина кабельной линии между распределительным устройством и телекоммуникационной розеткой не должна превышать 90 метров.

Типы кабелей

Разрешено использовать

  • 100-омный 4-парный UTP кабель категорий 5e и 6;
  • 75-омный коаксиальный кабель типа RG6;
  • 75-омный коаксиальный кабель типа RG59 (только в системах видеонаблюдения CCTV);
  • Одномодовые (9/125) и многомодовые (50/125) оптические кабели.
Уровни

Два уровня систем жилого здания

Grade 1 Базовый уровень

Соответствует базовым требованиям для передачи телефонной, телевизионной и компьютерной информации. Каждая телекоммуникационная розетка должна соединяться с распределительным устройством как минимум одним кабелем типа витая пара и одним коаксиальным кабелем.

Grade 2 Расширенный уровень

Предоставляет дополнительные возможности для современных и будущих высокоскоростных приложений и мультимедиа сервисов. Каждая розетка должна использовать не менее двух кабелей витой пары, двух коаксиальных кабелей, а также дополнительно возможно использовать не менее двух оптических кабелей.

LANMASTER

ДКС LANMASTER

ДКС LANMASTER полностью соответствует требованиям стандарта ANSI/TIA-570-C.

Элементы системы выполнены в виде отдельных модулей, что позволяет пользователю подбирать необходимый состав компонентов, в зависимости от размера и функциональных возможностей кабельной системы. Помимо квартир и коттеджей компоненты ДКС могут использоваться при создании кабельных сетей в небольшом офисе, а также при разводке подъездных/этажных подсетей в домовых сетях.

В состав системы входит встраиваемый в стену шкаф для размещения компонентов ДКС LANMASTER, оснащенный перфорированной монтажной панелью для быстрой фиксации элементов ДКС и другого оборудования при помощи саморезов. Все модули ДКС LANMASTER используют фронтальное подключение кабелей и имеют отверстия для фронтального монтажа.

Компоненты Домашней Кабельной Системы LANMASTER

Патч-панель UTP Cat.5e, 8 портов
Неэкранированная коммутационная панель фронтального монтажа категории 5е с 8 портами RJ-45. IDC-контакты 110-го типа промаркированы по схеме T568B. Гнезда портов оснащены пылезащитными заглушками.
Коммутационная телефонная панель 2×6
Телефонный сплиттер для организации параллельных подсоединений к одной телефонной линии. Два входных 4-контактных IDC 110-го типа, сигнал параллельно подается на 6 выходных разъемов.
Сплиттер TV-сигнала 1×8
Позволяет подать высокочастотный сигнал с 1-го входа на 8 параллельных выходов. Подключение через F-коннекторы с резьбой. Частоты 5–2400 МГц.
Усилитель TV-сигнала 25 dB
Поднимает уровень телевизионного сигнала на 25 дБ. Подключение через F-коннекторы с резьбовым соединением.
Оптическая коробка на 4 адаптера SC
Пластиковая коробка со сдвижной крышкой для организации малых домовых кроссов/пользовательских розеток: до 4 портов SC или до 8 портов LC.
Сетевой концентратор 10/100, 8 портов
Компактный концентратор 10/100 для организации внутридомовой проводной сети и совместного выхода в Интернет.
Шкаф встраиваемый 400×380×100 мм
Шкаф устанавливается в стену и предназначен для размещения модулей ДКС или как малый шкаф промавтоматики. Оцинкованная перфорированная панель, крепление модулей саморезами М3,3. Дверца с ручкой-замком, вентиляционные решетки, вводы сверху/снизу, металлическая защита тыльной стороны. Материал корпуса — сталь.

Помимо указанных компонентов, компания выпускает большое количество элементов кабельных сетей, используемых при построении ДКС: витопарный медножильный кабель, оптоволоконные и коаксиальные кабели, разъемы, телекоммуникационные розетки, соединительные шнуры, крепеж и маркировку, инструменты для монтажа и приборы для тестирования.

Всю эту и многую другую продукцию Вы легко найдете в нашем электронном каталоге.